全国咨询热线:13393215309
联系我们
销售一部:18031108870
销售二部:13832329805
销售三部:13393215309
邮箱:sale@shibengzjb.com
地址 :石家庄桥西区槐安西路260号
AH型渣浆泵

4/3C-AH渣浆泵

型号意义:如4/3C-AH,4:进口直径为4英寸,3:出口直径为3英寸,C:托架形式,AH:重型渣浆泵
材  质:高铬合金耐磨材质。
应用范围:广范应用于冶金、矿山、煤碳、化工、电厂、抽沙、环保、市政工程等行业。

AH渣浆泵产品介绍:

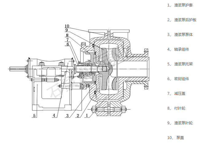
渣浆泵结构:AH渣浆泵、杂质泵为悬臂、卧式双壳轴向吸入离心渣浆泵。泵的吐出口位置可根据需要按45℃间隔,旋转八个不同的角度安装使用。
渣浆泵材质:AH渣浆泵、杂质泵的泵体具有可更换的耐磨金属内衬,叶轮、护套、护板等过流部件均采用耐磨金属。
渣浆泵使用:在小流量低扬程区域内,可以输送强磨蚀渣浆;在高扬程大流量区域内输送轻磨蚀渣浆。适用于冶金、矿山、煤炭、电力、建材等工业部门输送强磨蚀、高浓度渣浆,该类型泵也可以多级串联使用。
渣浆泵密封形式:AH渣浆泵、杂质泵的轴封可采用填料密封、副叶轮密封、填料加副叶轮密封、机械密封等型式。
渣浆泵传动型式:DC直联传动,CR平行皮带传动,ZVZ上下皮带传动,CV立式皮带传动等型式。

AH渣浆泵结构图:

1-1PG3151642b1.png

AH渣浆泵参数表:

型号配带功率
P(KW)
清水性能
流量Q
(m³/h)
扬程H
(m)
转速
n(r/min)
最高效率
η%
汽蚀余量
NPSH(m)
重量
(Kg)
1.5/1B-AH2.2-153.6-205-681200-3800402-491
2/1.5B-AH2.2-157-487-621200-3200453.5-8118
3/2C-AH4-3021-8612-651300-2700554-6191
4/3C-AH5.5-3050-1509-451000-2000714-6263
4/3D-AH7.5-6068-16010-521000-2200714-6363
6/4D-AH15-6072-36012-56800-1550655-8626
6/4E-AH22-12093-38512-63800-1600655-8728
8/6E-AH18.5-120360-82010-61500-1100722-91473
8/6R-AH110-300360-82010-61500-1140722-91836
10/8ST-AH45-560630-130011-60400-850714-103750
12/10ST-AH55-560800-19007-58350-7308264318
14/12ST-AH75-5601200-260013-60300-600773-104609
16/14TU-AH160-12001368-300011-60250-550794-1010000


标签:沃曼渣浆泵 卧式渣浆泵 AH渣浆泵
在线客服
销售热线

热线电话

13393215309

微信

13393215309

二维码
线
标签guestbookform报错:该栏目下没有新增留言字段。